ำดเห

| MATERIAL | |
|---|---|
| STEEL | P |
| CAST IRON | K |
| STAINLESS | M |
| ALLOY | S |
| HARD STEEL | H |
ำดเห

P
M
K
S
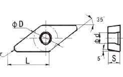
| Description | Form | L | IC | S | D | Re | for Material | Process |
|---|---|---|---|---|---|---|---|---|
| TNMG160404-MA-G2-DH121 | MA | 16.5 | 9.525 | 4.76 | 3.81 | 0.4 | M | Medium – Roughing |
| TNMG160408-MA-G2-DH121 | MA | 16.5 | 9.525 | 4.76 | 3.81 | 0.8 | M | Medium – Roughing |
| TNMG160404-MS-G2-DH121 | MS | 16.5 | 9.525 | 4.76 | 3.81 | 0.4 | M | Medium – Roughing |
| TNMG160408-MS-G2-DH121 | MS | 16.5 | 9.525 | 4.76 | 3.81 | 0.8 | M | Medium – Roughing |
| TNMG160404R-MY3-DH1220 | R-MY3 | 16.5 | 9.525 | 4.76 | 3.81 | 0.4 | P | Medium – Roughing |
| TNMG160408R-MY3-DH1220 | R-MY3 | 16.5 | 9.525 | 4.76 | 3.81 | 0.8 | P | Medium – Roughing |
| TNMG160404-TM-G1-DH121 | TM | 16.5 | 9.525 | 4.76 | 3.81 | 0.4 | P | Roughing |
| TNMG160408-TM-G1-DH121 | TM | 16.5 | 9.525 | 4.76 | 3.81 | 0.8 | P | Roughing |
| TNMG160404L-MY3-DH1220 | L-MY3 | 16.5 | 9.525 | 4.76 | 3.81 | 0.4 | P | Medium – Roughing |
| TNMG160408L-MY3-DH1220 | L-MY3 | 16.5 | 9.525 | 4.76 | 3.81 | 0.8 | P | Medium – Roughing |
| TNMG160404-UCB-DL1200 | UCB | 16.5 | 9.525 | 4.76 | 3.81 | 0.4 | K | Finishing – Medium |
| TNMG160408-UCB-DL1200 | UCB | 16.5 | 9.525 | 4.76 | 3.81 | 0.8 | K | Finishing – Medium |
| TNMG160412-UCB-DL1200 | UCB | 16.5 | 9.525 | 4.76 | 3.81 | 1.2 | K | Finishing – Medium |

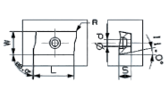
| Description | Form | L | IC | S | D | Re | for Material | Process |
|---|---|---|---|---|---|---|---|---|
| TCMT16T304-G2-DH121 | MA | 16.5 | 9.525 | 3.97 | 4.4 | 0.4 | M | Medium – Roughing |
| TCMT16T308-G2-DH121 | MA | 16.5 | 9.525 | 3.97 | 4.4 | 0.8 | M | Medium – Roughing |
| TCMT110204-G2-DH121 | MA | 11 | 6.35 | 2.38 | 2.8 | 0.4 | M | Medium – Roughing |
| TCMT110204-G2-DH121 | MA | 11 | 6.35 | 2.38 | 2.8 | 0.8 | M | Medium – Roughing |
rghg
rghg
rghg
rghg

| MATERIAL | |
|---|---|
| STEEL | P |
| CAST IRON | K |
| STAINLESS | M |
| ALLOY | S |
| HARD STEEL | H |

P
M
K
S
| Description | Form | L | IC | S | D | Re | for Material | Process |
|---|---|---|---|---|---|---|---|---|
| CNMG120404-MA-G2-DH121 | MA | 12.9 | 12.7 | 4.76 | 5.16 | 0.4 | M | Medium – Roughing |
| CNMG120408-MA-G2-DH121 | MA | 12.9 | 12.7 | 4.76 | 5.16 | 0.8 | M | Medium – Roughing |
| CNMG120404-TM-G1-DH121 | TM | 12.9 | 12.7 | 4.76 | 5.16 | 0.4 | P | Roughing |
| CNMG120408-TM-G1-DH121 | TM | 12.9 | 12.7 | 4.76 | 5.16 | 0.8 | P | Roughing |
| CNMG120412-TM-G1-DH121 | TM | 12.9 | 12.7 | 4.76 | 5.16 | 1.2 | P | Roughing |
| CNMG120404-UCB-DL1200 | UCB | 12.9 | 12.7 | 4.76 | 5.16 | 0.4 | K | Finishing – Medium |
| CNMG120408-UCB-DL1200 | UCB | 12.9 | 12.7 | 4.76 | 5.16 | 0.8 | K | Finishing – Medium |

| Description | Form | L | IC | S | D | Re | for Material | Process |
|---|---|---|---|---|---|---|---|---|
| CCMT060204-G2-DH121 | MA | 6.4 | 6.35 | 2.38 | 2.8 | 0.4 | M | Medium – Roughing |
| CCMT09T304-G2-DH121 | MA | 9.7 | 9.525 | 3.97 | 4.4 | 0.4 | M | Medium – Roughing |
| CCMT09T308-G2-DH121 | MA | 9.7 | 9.525 | 3.97 | 4.4 | 0.8 | M | Medium – Roughing |
| CCMT120404-G2-DH121 | MA | 12.9 | 12.7 | 4.76 | 5.56 | 0.4 | M | Medium – Roughing |
| CCMT120408-G2-DH121 | MA | 12.9 | 12.7 | 4.76 | 5.56 | 0.8 | M | Medium – Roughing |
efgh
efgh
efgh
ำดเห

| MATERIAL | |
|---|---|
| STEEL | P |
| CAST IRON | K |
| STAINLESS | M |
| ALLOY | S |
| HARD STEEL | H |

P
M
K
S
| Description | Form | L | IC | S | D | Re | for Material | Process |
|---|---|---|---|---|---|---|---|---|
| VCGT110301-EF-ZP15680 | EF | 11 | 6.35 | 3.18 | 2.8 | 0.1 | S | Finishing – Medium |
| VCGT110302-MF-ZP15680 | MF | 11 | 6.35 | 3.18 | 2.8 | 0.2 | S | Finishing – Medium |
| VCGT160404-LH-DP21200 | LH | 16.5 | 9.525 | 4.76 | 4.4 | 0.4 | S | Finishing – Medium |
| VBMT110304-MV-G2-DH121 | MV | 11 | 6.35 | 3.18 | 2.8 | 0.4 | M | Medium – Roughing |
| VBMT160404-MV-G2-DH121 | MV | 16.5 | 9.525 | 4.76 | 4.4 | 0.4 | M | Medium – Roughing |
| VBMT160408-MV-G2-DH121 | MV | 16.5 | 9.525 | 4.76 | 4.4 | 0.8 | M | Medium – Roughing |
ำดเห
ำดเห
ำดเห
ำดเห

| MATERIAL | |
|---|---|
| STEEL | P |
| CAST IRON | K |
| STAINLESS | M |
| ALLOY | S |
| HARD STEEL | H |

P
M
K
S
| Description | Form | L | IC | S | D | Re | for Material | Process |
|---|---|---|---|---|---|---|---|---|
| APMT1604PDER-H2-G1-DH121 | H | 17.42 | 9.33 | 0.80 | 4.50 | 5.22 | M | Roughing |
| APMT1604PDER-M2-G1-DH121 | M | 17.42 | 9.33 | 0.80 | 4.50 | 5.22 | M | Finishing – Medium |
| APMT1604PDER-XM-Y-DH122 | XM-Y | 17.42 | 9.33 | 0.80 | 4.50 | 5.22 | P | Medium – Roughing |
| APMT1604PDER-B-DH1200 | B | 17.42 | 9.33 | 0.80 | 4.50 | 5.22 | P | Medium – Roughing |
| APMT1135PDER-H2-G1-DH121 | H | 11.30 | 6.25 | 0.80 | 2.80 | 3.50 | M | Roughing |
| APMT1135PDER-M2-BPG20B | M | 11.30 | 6.25 | 0.80 | 2.80 | 3.50 | P | Finishing – Medium |
| APMT1135PDER-M2-BPG308-1 | M | 11.30 | 6.25 | 0.80 | 2.80 | 3.50 | M | Finishing – Medium |
| APMT1135PDER-XM-B-DH120 | XM-B | 11.30 | 6.25 | 0.80 | 2.80 | 3.50 | P | Medium – Roughing |
| APMT1135PDER-XM-Y-DH122 | XM-Y | 11.30 | 6.25 | 0.80 | 2.80 | 3.50 | P | Medium – Roughing |

| Description | Form | L | IC | S | D | Re | for Material | Process |
|---|---|---|---|---|---|---|---|---|
| APKT1604PDER-G2-DP2200 | KT | 17.42 | 9.33 | 0.80 | 4.50 | 5.20 | S | Finishing – Medium |
| APKT113508PDER-G2-DP2200 | KT | 11.30 | 6.25 | 0.40 | 2.80 | 3.60 | S | Finishing – Medium |
ำดเห
ำดเห
ำดเห
ำดเห

| MATERIAL | |
|---|---|
| STEEL | P |
| CAST IRON | K |
| STAINLESS | M |
| ALLOY | S |
| HARD STEEL | H |

P
M
K
S
| Description | Form | L | IC | S | D | Re | for Material | Process |
|---|---|---|---|---|---|---|---|---|
| WNMG080404-MA-G2-DH121 | MA | 8.7 | 12.7 | 4.76 | 5.16 | 0.4 | M | Medium – Roughing |
| WNMG080408-MA-G2-DH121 | MA | 8.7 | 12.7 | 4.76 | 5.16 | 0.8 | M | Medium – Roughing |
| WNMG080404-MS-G2-DH121 | MS | 8.7 | 12.7 | 4.76 | 5.16 | 0.4 | M | Medium – Roughing |
| WNMG080408-MS-G2-DH121 | MS | 8.7 | 12.7 | 4.76 | 5.16 | 0.8 | M | Medium – Roughing |
| WNMG080404-TM-G1-DH121 | TM | 8.7 | 12.7 | 4.76 | 5.16 | 0.4 | P | Roughing |
| WNMG080408-TM-G1-DH121 | TM | 8.7 | 12.7 | 4.76 | 5.16 | 0.8 | P | Roughing |
| WNMG080412-TM-G1-DH121 | TM | 8.7 | 12.7 | 4.76 | 5.16 | 1.2 | P | Roughing |
| WNMG080404L-M-G1-DH121 | M | 8.7 | 12.7 | 4.76 | 5.16 | 0.4 | M | Medium – Roughing |
| WNMG080408L-M-G1-DH121 | M | 8.7 | 12.7 | 4.76 | 5.16 | 0.8 | M | Medium – Roughing |
| WNMG080404-UCB-DL1200 | UCB | 8.7 | 12.7 | 4.76 | 5.16 | 0.4 | K | Finishing – Medium |
| WNMG080408-UCB-DL1200 | UCB | 8.7 | 12.7 | 4.76 | 5.16 | 0.8 | K | Finishing – Medium |
| WNMG080412-UCB-DL1200 | UCB | 8.7 | 12.7 | 4.76 | 5.16 | 1.2 | K | Finishing – Medium |